Position tolerance - non perpendicular levelling plane (new reference frame)

Position tolerance - non perpendicular levelling plane (new reference frame)

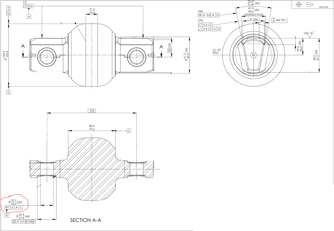
In this print, the highlighted position tolerance is wrt to 2 datums. If trying to create new reference wrt to specified it would need level which isn't perpendicular. What could be the best to measure this call-out, given that current reference frame even without selecting any datum shows tolerance only in 1-axis at a time