I need help, I'm thinking myself into an endless spiral of dumb.

I need help, I'm thinking myself into an endless spiral of dumb.



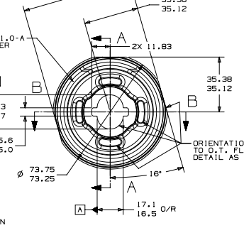
I've been looking at this all morning and can't come up with a good solution. Due to the keyways on the side of the slot I can't use -A- as a center plane it has to be a slot. I figured that I would probe the two cylinders of the slot and construct a centerline from them so that I have at least one 3D feature. When I go to input the centerline as a datum feature for a position call out on the outer can, it is not on the list. 

Any ideas are appreciated as I can feel my brain melting as I type this. 

There has to be an easy way..

Nate, I will pay good money for a 3D slot button.