Concentricity with MMC
Concentricity with MMC
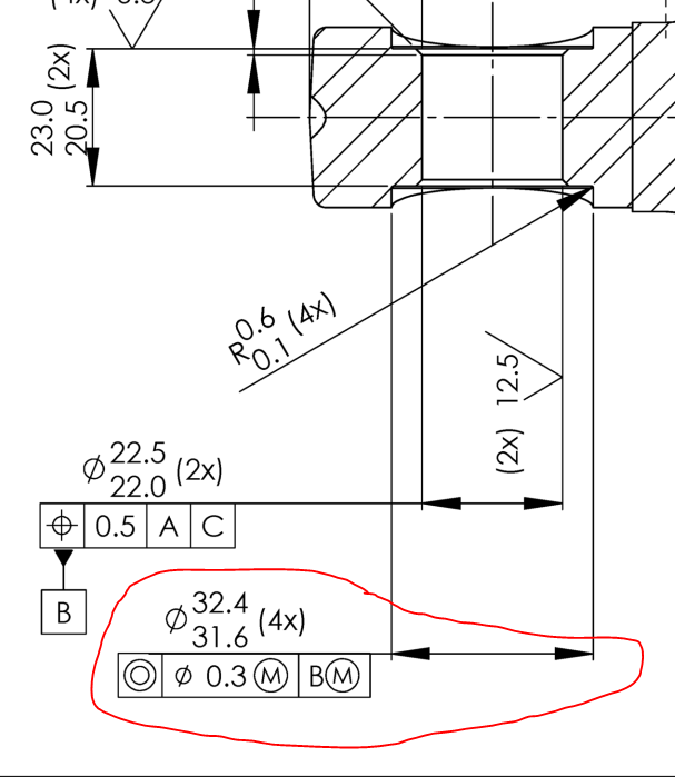
There is a callout of concentricity with MMC in the print, Wondering if 'Report' has any such options to show the results in a similar manner as of call-out.
Topic Participants
Apurv
Nate Frost
Dan Hakken
Tyson King
Eric Wenzel